Primula Generator de abur Primula SG 15

Primula
20.552,21 RON
Generatorul electric de abur SG 15 este conceput pentru a fi utilizat în legătură cu o linie de abur pentru 4-7 consumatori de abur,
cum ar fi fiare de călcat cu abur, prese de abur, finisoare toppers etc.
Controlat electronic de un PCB cu o tastatură electronică, sistem automat de detectare a defecțiunilor și sistem de control al nivelului
de apă cu trei electrozi.
Vine cu: pompa de apa incorporata.
 
In stoc

Durata de livrare: 25 de zile

Limita stoc
Adauga in cos
Cod Produs: 103-04-000 Ai nevoie de ajutor? 0753195610 / 0753195613
Adauga la Favorite Cere informatii
  • Descriere
  • Review-uri (0)
Generator de abur SG 15

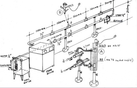
Specificatii tehnice :

-presiune de lucru : 5 bar
-deserveste 4 – 7 fiare de calcat
-se poate folosi pentru alimnetarea unui Topper sau a unei prese de finisat 
-conexiunea cu fiarele de calcat se poate face in doua feluri :
1. direct : prin adaptori AD/5
2. prin furtun de aburi si condensor K/6/2

-productie de abur : 23.4 kg / h
-capacitate boiler 17L 
-putere de incalzire : 15 kW
-alimentare : 400 V – 3 ph
-are incorporata o pompa de circulatie a apei de 0,7 CP
-rezervor de apa  din inox E/T 7515, capacitate 75 l, pentru alimentarea cu apa
*necesita intalatie de abur  cu oala de condens, electrovalva pentru fiecare post de lucru in parte ( fier de calcat)
 
Cazane cu abur seria SGîndeplinește standardele de siguranță și reglementările oficiale fiind testate de TÜV și purtând Certificat TRD801-TRD802 și o certificare de conformitate CE
Informatii conformitate produs
Daca doresti sa iti exprimi parerea despre acest produs poti adauga un review.

Review-ul a fost trimis cu succes.

Test


test 1 

Suport clienti De Luni pana Vineri intre orele 8-16.30

0753195610 0753195613 office@allstitch.ro

Compara produse

Trebuie sa mai adaugi cel putin un produs pentru a compara produse.

A fost adaugat la favorite!

A fost sters din favorite!